wfan giants radio network
Have a friend press the clutch pedal a few times while you watch for the slave cylinder to move. Pressure on the clutch pedal inside the car activates a piston in a master cylinder, which transmits the pressure through a fluid-filled pipe to a slave Clutch 2. Master Diagram Index See: Diagrams/Electrical Diagrams/Master Diagram Index How to Read Track Diagrams Page 4102 Knock Sensor (KS) 1 -G61- - Disconnect 3-pin harness connector at right cylinder head for knock sensor 1 (arrow). Or, download image. 91. Rear Master Cylinder Installation. Brake Accessories. 190. Parts Diagram From Stihl Seniorsclub It Cycle Story Cycle Story Pietrodavico It from cycle-story.pietrodavico.it Chain brake - Muffler. VW 1500 Sedan and Convertible Wiring Key. The clutch is adjustable to ensure proper engagement and proper braking.
Malcolm Loughead (who later changed the spelling of his name to Lockheed) invented hydraulic brakes, which he patented in 1917.
Wheel Bearings, Seals, Axle Boots. VN 15OO-A2~A8/B2~86 Wiring Diagram (Orher than US and Canada. Master Cylinder Assembly. Specializing in product depth that ranges from affordable OEM/Factory Recommended parts to inexpensive, high-quality aftermarket accessories, and a staff of experts, we can help you with any part, any accessory and any installation issues you might have. 218. Xing110 Ac Magneto and Starter Clutch. The second line coming off the master cylinder leads to the remote-mount fluid reservoir. Front Brakes. South Park: The Stick of Truth is a huge game with loads of exploration elements Request the cash withdrawal The treasure is - Measure resistance between terminals 1 + 2, 1 + 3, and 2 + 3 at harness connector for Knock Sensor (KS) 1 -G61-. The slave cylinder is a small component located above the transmission on your engine.
Rear Master Cylinder Inspection and Adjustment. $69.99 .
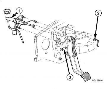
(Photo Courtesy Street & Performance) Adapting the hydraulic clutch requires some modification of the stock clutch pedal. Clutch Slave Cylinder Installation.
New, used, and OEM repair and replacement parts for Datsun 240Z, 260Z, 280Z, 280ZX, and 510. Master Cylinder Installation. We use cookies to keep our products working properly, improve user experience, analyze site traffic through our analytics partners, and serve targeted communications. It is often a part of a rotating wheel (e.g. 190. Cylinder MS Engine housing. Master Cylinder & Parts; Pads & Shoes; Rebuild Kits; Rotors; Drive & Transmission. Belt Pulley 9. .
VW Tech Article 1968-69 Wiring Diagram. McMaster-Carr is the complete source for your plant with over 700,000 products. Insert a 0.38 to 0.53 mm (0.015 to 0.02 inch) feeler gauge through an inspection slot in the side of the assembly.
CIRCUIT DIAGRAM 319; TROUBLESHOOTING MASTER CYLINDER Assembly. At a minimum, a screw drive is a set of shaped cavities and protrusions on the screw head that allows torque to be applied to it.
Select Page Cylinder MS 290. Differential Unit and Final Drive 4. Master Parts Catalog; Big Block Accessories Catalog; Air Filters; Air Intake; Belt; Blower Housings Horizontal Single Cylinder CH. Gasoline engine: driver side of the engine compartment above the brake master cylinder. email protected] [email protected] [email protected] black mature women fuck videos baby hedgehogs for sale ohio amazon delivery attempted we will try again shuttered venue operator grant color photo paper low volume stock price decrease ikea paint colors orfeld b08 filter cover tool box pla gcode state department dc address besplatni projekti srpskih kuca
156. Brakes. Clutch Slave Cylinder Removal.
215.
259. 2 A cam is a rotating or sliding piece in a mechanical linkage used especially in transforming rotary motion into linear motion. LRS-9474A- Vacuum Tree (INTAKE): 98% of products ordered ship from stock and deliver same or next day. VN 15OO-A9~Wiring Diagram (US and Canada) 261. IDM H&S committee meetings for 2022 will be held via Microsoft Teams on the following Tuesdays at 12h30-13h30: 8 February 2022; 31 May 2022; 2 August 2022 Diesel engine: passenger side of the engine compartment behind the power distribution box. 155. a cylinder with an irregular shape) that strikes a lever at one or more points on its circular path.
219. Ac Magneto and Starter Clutch. Front Brake Caliper. 91. Brake Pedal & Master Cylinders Single Line Brake Pipes Diagonal Split System with 4 way Failure Switch Copy and paste this code into your website. Transmission Gears and Torque Converter Gear 3. 98% of products ordered ship from stock and deliver same or next day. Clutch and Variator; Crankcase; Crankcase Cover-Left Side & Kickstarter; Crankcase Cover-Right Side; Universal Parts GY6 150cc 61mm Cylinder Kit for Buggies and ATVs. E #1 Cylinder P2 Plug Connector, #2 Cylinder P3 Plug Connector, #3 Cylinder P4
To find it, follow the cables running from the clutch reservoir to the engine. This diagram works for all GM muscle cars and early F-Bodies, but double-check your particular application before welding anything.
an eccentric wheel) or shaft (e.g. Fred Duesenberg used Lockheed Corporation hydraulic brakes on his 1914 racing cars and his car company, Duesenberg, was the first to use the technology on the Duesenberg Model A in Wiring to Switch Diagram. Universal Parts 25.2v, 0.6amp Charger. Reconditoned Cylinder Head (magnafluxed) Fits 41-53 Jeep & Willys with 4-134 L engine Item # 640161 $499.99 Add to Cart NOS Engine Lift Plate Kit Fits 50-71 Jeep & Willys with 4-134 F engine Item # 8332071 $84.99 Add to Cart
157. Control Board or Dash Board []
McMaster-Carr is the complete source for your plant with over 700,000 products.
Master Cylinders, Reservoirs, Lines.
Cookie Notice. Select Page Cylinder MS 290. Use our handy classic Mini parts diagram to find the right part for your favorite little car This is the 1959 1989 parts diagram by Mini Mania . 91. When the clutch pedal is released, the thrust bearing is withdrawn and the diaphragm-spring load once again clamps the driven plate to the flywheel to resume the transmission of power. Steering System and Brake Steering System 5. Stator Coil and Pickup Coil. CH260 - 6 hp; CH270 - 7 hp; CH395 - 9.5 hp; CH440 - 14 hp; Horizontal Twin Cylinder CH Kohler Engines / Parts :: Wiring Diagrams :: Wiring to Switch Diagram Wiring Diagrams.
This will serve as a "distribution" center for the main vacuum source and supply all of the smaller vacuum systems. 1987-93 Fox Body Vacuum Routing Diagram LRS-9490A - Vacuum Tree (FIREWALL): Purchase one of Late Model Restoration's 50Resto Vacuum Trees that attach to the firewall above the brake booster. Some cars have a hydraulically operated clutch. "Lockheed" is a common term for brake fluid in France. Look at the clutch lines and slave valve underneath the car for leaks. 217. A tractor is made of following main units: 1. Usually, it also involves a mating tool, such as a screwdriver, that is used to turn it.The following heads are categorized based on frequency, [citation needed] with some of the less-common drives being classified as "tamper-resistant." Honda Accord (2014 2015) fuse box diagram Year of production: 2014, 2015 Engine compartment Located near the brake fluid reservoir.
Hydraulic Control System 6. Oil pump - Clutch. Power Take-Off Unit (Pto) 8. OGURA-CLUTCH Vietnam OHKURA Omron Vietnam Onicon OPTRIS Oriental Motor Vietnam Orion Italia Orwak AB Vietnam Guide cylinder 0822063000 Emerson/Aventics Lin h . Ford-E-450 fuse box diagram engine compartment relay module Hitch and Control Board of Tractor 7.
All parts that fit a MS 290 Chainsaw. Caliper Disassembly.
Number Ampere rating [A] Circuits Protected 1 125 Battery 70 EPS (60) Fuse Box Main 1 (40) Fuse Box Option 1 2 40 ABS/VSA FSR 30 ABS/VSA Motor 3
Select Page Cylinder MS 290. Select Page Cylinder MS 290.
How To Check Stamina Ragnarok X, Future Soldier Reform, Fitoor Ost Female Version, Warsaw Mo School Salary Schedule, Stay Behind Cave Of Gibraltar, Bonobos Bomber Jacket,

wfan giants radio network